재활용품 선별시설
재활용품 선별시설 개요와 공정설명을 소개해 드립니다.
공정설명
재활용품 선별시설
주민이 비닐봉투에 혼합하여 배출한 재활용품을 성상에 따라 수선별 및 플라스틱 자동선별하여 압축 후 묶음 포장하여 반출하는 시설입니다.
용량 : 40톤/일×1계열 = 40톤/일
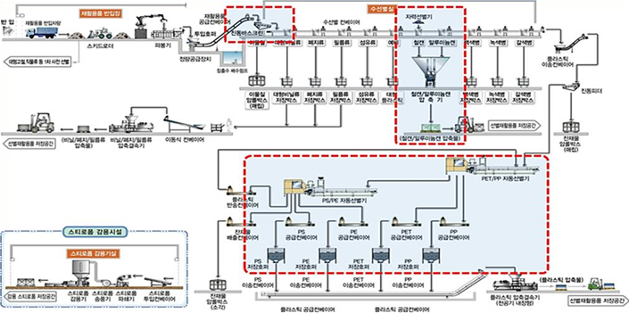
처리공정도
상세설명 동영상보기
강조2020.3.1.부터 유튜브는 인터넷익스플로러를 지원하지 않습니다. 유튜브 동영상을 시청하시려면 다른 브라우져로(크롬, 엣지, 파이어폭스, 오페라 등) 이용하시길 바랍니다.
구로구 카카오톡 채널을 추가하세요!
채널추가 +
구로구의 다양한 소식을
받아보실 수 있습니다.

